|
|
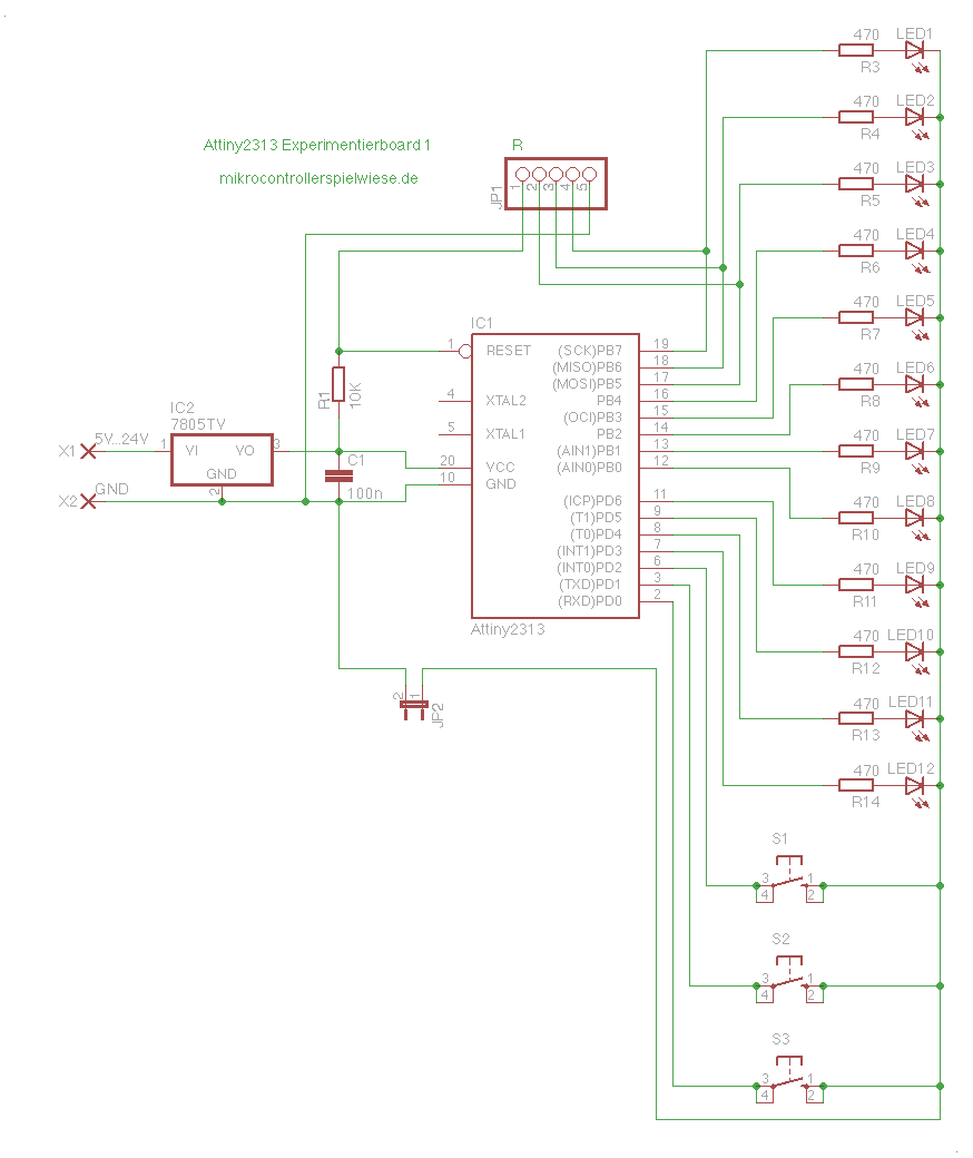
Experimentierboard für AtTiny2313

Mit einem Attiny2313 ein kleines Experimentierboard
aufzubauen, kann sich durchaus lohnen.
Unseres hat folgende Eigenschaften:
- Betriebsspannungen von 5V ... 24V (und mehr) möglich
- 12 LEDs, die den Zustand der digitalen Ausgänge anzeigen
- 3 Taster, mit denen Eingangssignale eingegeben werden können
- Taster S1 ermöglicht auch externen Interrupt

Das Bauelement IC2 ist ein
integrierter
Spannungsregler, der z. B. bei Reichelt "µA 7805" heißt.

Mit ihm hast Du die Möglichkeit, auch höhere Spannungen als 5V
als Betriebsspannung zu nehmen, z. B. einen 9V-Block. Falls das für
Dich nicht wichtig ist,
kannst Du ihn auch weglassen und stattdessen einfach dort einen
Draht hinlöten - also von seinem Anschluß 1 zu seinem Anschluß 3.
Als Tasten S1 ... S3 habe ich
solche Leiterplattentaster genommen, die ungefähr 10 Cent pro Stück
kosten:

Du solltest sie vorm Einlöten mal durchpiepsen (auf Durchgang prüfen),
damit klar ist, welche beiden Anschlußbeinchen sich beim Tastendruck
verbinden!
Mit dem Jumper JP2 hast Du die
Möglichkeit, alle LEDs auf einmal von der Stromversorgung zu trennen.
Das kann sinnvoll sein, z. B. wenn Dein Programmieradapter beim
Programmrüberschieben Fehler macht.
Solche Jumper kennst Du sicher von Mainboard oder Festplatte Deines
Computers. Mann könnte statt eines Jumpers auch einfach einen Draht o.
ä. nehmen.
Auf dem Foto, daß das Experimentierboard zeigt, befindet sich kein Jumper (nur, falls Du Dich wunderst).
Und hier ein Leiterplattenentwurf dazu:

Hier gibt es die
Eagle-Dateien zum Ätzen. Wie das geht steht hier.
Natürlich kannst Du das Experimentierboard auch auf eine
Lochrasterleiterplatte auflöten oder auf einem Steckbrett aufstecken.
|